ศักยภาพหม้อแปลงไฟฟ้า PT
หม้อแปลงไฟฟ้าแรงสูงเฟสเดียวไฟฟ้าแรงสูง 33kv
  • หม้อแปลงไฟฟ้าแรงสูงเฟสเดียวไฟฟ้าแรงสูง 33kvหม้อแปลงไฟฟ้าแรงสูงเฟสเดียวไฟฟ้าแรงสูง 33kv

หม้อแปลงไฟฟ้าแรงสูงเฟสเดียวไฟฟ้าแรงสูง 33kv

Wenzhou XiFa Electric Power Equipment Co. , Ltd เป็นผู้ผลิตที่มีประสบการณ์ในการผลิตหม้อแปลงไฟฟ้าแรงสูงเฟสเดียวและหม้อแปลงกระแสไฟฟ้าแรงสูง 33kv Wenzhou XiFa ใช้เรซินคุณภาพสูงเพื่อให้ได้ประสิทธิภาพที่ดีขึ้นในด้านฉนวน เช่น การทำงานระยะยาวภายใต้ไฟฟ้าแรงสูงโดยไม่มีการพังทลายหรือการคายประจุบางส่วน หม้อแปลงไฟฟ้าแรงสูงเฟสเดียวขนาด 33kv แต่ละตัวจำเป็นต้องหล่ออีพอกซีเรซินภายใต้สภาวะสุญญากาศ เพื่อให้มีอายุการใช้งานยาวนานขึ้นถึง 20 หรือ 30 ปี ก่อนส่งมอบ ข้อกำหนดทางเทคนิคขั้นพื้นฐานถือเป็นสิ่งสำคัญในการวัด เช่น ความถี่ของกำลังไฟฟ้าที่ทนต่อแรงดันไฟฟ้า การคายประจุบางส่วน ความต้านทานของฉนวน ความแม่นยำ ขั้ว และอุณหภูมิที่เพิ่มขึ้น

คุณสมบัติผลิตภัณฑ์:

1. โครงสร้าง หม้อแปลงไฟฟ้าแรงสูงเฟสเดียวขนาด 33kv ถือได้ว่าเป็นหม้อแปลงไฟฟ้ากำลังแบบสเต็ปดาวน์ที่มีความจุขนาดเล็กและมีอัตราส่วนสูง อย่างไรก็ตาม ไม่เหมือนหม้อแปลงไฟฟ้า กหม้อแปลงไฟฟ้าที่มีศักยภาพไม่ถ่ายเทพลังงานเพื่อจ่ายโหลด แต่จะมีบทบาทสำคัญในการวัดและการป้องกันแทน

2. วงจรทุติยภูมิเชื่อมต่อกับเครื่องมือวัด รีเลย์ป้องกัน และอุปกรณ์อัตโนมัติซึ่งขดลวดแรงดันไฟฟ้ามีอิมพีแดนซ์สูงมากและคงที่เป็นหลัก เป็นผลให้กระแสไฟฟ้าทุติยภูมิมีค่าน้อยที่สุด คล้ายกับสภาวะไม่มีโหลดของหม้อแปลงไฟฟ้า การใช้พลังงานของหม้อแปลงไฟฟ้าแรงสูงเฟสเดียวขนาด 33kv นั้นต่ำมากและแรงดันไฟฟ้าทุติยภูมิยังคงเท่ากับ EMF เหนี่ยวนำซึ่งถูกกำหนดโดยแรงดันไฟฟ้าหลักคงที่ ช่วยให้มั่นใจได้ถึงระดับความแม่นยำที่จำเป็นสำหรับการวัดแรงดันไฟฟ้า

3. ขดลวดทุติยภูมิของหม้อแปลงไฟฟ้าที่มีศักยภาพจะต้องไม่ลัดวงจร ภายใต้การทำงานปกติ โหลดของหม้อแปลงไฟฟ้าแรงสูงเฟสเดียวขนาด 33kv เป็นอุปกรณ์ที่มีความต้านทานสูง แต่ถ้าเกิดการลัดวงจร ปัจจัยจำกัดเพียงอย่างเดียวคือความต้านทานของขดลวด สิ่งนี้สามารถนำไปสู่กระแสไฟฟ้าลัดวงจรที่สูงเกินไป ส่งผลให้อ่านค่ามิเตอร์ไม่ถูกต้อง การทำงานของรีเลย์ผิดพลาด หรือแม้แต่ความเสียหายถาวรต่อหม้อแปลงไฟฟ้า

4. ขั้วต่อของทั้งขดลวดทุติยภูมิและการขดลวดลำดับศูนย์จะต้องต่อสายดิน หากไม่ได้ต่อสายดิน ข้อผิดพลาดในระบบหลักอาจทำให้เกิดแรงดันไฟฟ้าสูงจนเป็นอันตรายบนขดลวดเหล่านี้ ซึ่งก่อให้เกิดความเสี่ยงร้ายแรงต่ออุปกรณ์ที่เชื่อมต่อ รีเลย์ และความปลอดภัยของบุคลากร

33kv High Voltage Single Phase Potential Transformer

ข้อมูลทางเทคนิค:

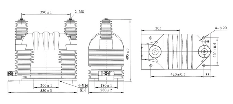
พิมพ์ อัตราส่วนแรงดันไฟฟ้าที่กำหนด (kV) ระดับความแม่นยำ ระดับความแม่นยำและพิกัดเอาท์พุต cosΦ=0.8 แม็กซ์ เอาท์พุต (VA)
0.2 0.5 1 3
JDZ9-35Q 35/0.1 0.2 0.5 1 3 30 120 240 600 1200
35/0.1/0.1 0.2/0.2(0.5) 30 30 ไม่มี ไม่มี 600
0.5/0.5 ไม่มี 60

33kv High Voltage Single Phase Potential Transformer

คำถามที่พบบ่อยเกี่ยวกับผลิตภัณฑ์:

ถาม: ภาระที่ได้รับการจัดอันดับของหม้อแปลงไฟฟ้าแรงสูงเฟสเดียวขนาด 33kv คืออะไร?

ตอบ: โดยทั่วไปภาระที่กำหนดจะอยู่ในช่วงตั้งแต่ 25 VA ถึง 200 VA ขึ้นอยู่กับการใช้งาน ช่วยให้มั่นใจได้ถึงความแม่นยำที่เสถียรสำหรับเครื่องมือวัดและรีเลย์ป้องกันโดยไม่ต้องโหลดหม้อแปลงมากเกินไป


ถาม: หม้อแปลงไฟฟ้าแรงสูงเฟสเดียวขนาด 33kv มีการต่อสายดินอย่างไร

ตอบ: ขดลวดทุติยภูมิมักจะต่อสายดินไว้ที่จุดหนึ่งเพื่อรักษาศักยภาพในการอ้างอิงและเพื่อความปลอดภัย ช่วยหลีกเลี่ยงแรงดันไฟฟ้าลอยตัวและลดความเสี่ยงของความล้มเหลวของฉนวน


ถาม: สามารถเชื่อมต่อ PT เฟสเดียวสำหรับการวัดแบบ 3 เฟสได้หรือไม่

ตอบ: แน่นอน สำหรับระบบสามเฟส สามารถเชื่อมต่อ PT เฟสเดียวสามเฟสในรูปแบบดาวหรือเดลต้าเปิด ซึ่งขึ้นอยู่กับว่าจำเป็นต้องตรวจสอบแรงดันไฟฟ้าแบบเต็มเฟสเป็นเฟส และเฟสถึงกราวด์หรือไม่




แท็กยอดนิยม: ผู้จัดจำหน่ายหม้อแปลงไฟฟ้าแรงสูงเฟสเดียวไฟฟ้าแรงสูง 33kv, ขายส่งหม้อแปลงไฟฟ้าแรงสูงเฟสเดียว, ผู้ผลิตหม้อแปลงไฟฟ้าที่มีศักยภาพทางอุตสาหกรรม
ส่งคำถาม
ข้อมูลติดต่อ
  • ที่อยู่

    เลขที่ 391 ถนน Jingqi เขตอุตสาหกรรม Yanpan เมือง Yueqing มณฑลเจ้อเจียงประเทศจีน

  • อีเมล

    info@xifaele.com

เพื่อรับใบเสนอราคาของคุณโดยเร็วที่สุด

XiFa ผู้จำหน่ายอุปกรณ์ไฟฟ้าที่เชื่อถือได้ของคุณ
X
เราใช้คุกกี้เพื่อมอบประสบการณ์การท่องเว็บที่ดีขึ้น วิเคราะห์การเข้าชมไซต์ และปรับแต่งเนื้อหาในแบบของคุณ การใช้ไซต์นี้แสดงว่าคุณยอมรับการใช้คุกกี้ของเรา นโยบายความเป็นส่วนตัว
ปฏิเสธ ยอมรับ