ศักยภาพหม้อแปลงไฟฟ้า PT
หม้อแปลงไฟฟ้าที่มีศักยภาพเฟสเดียว 13.8 Kv ในสถานีย่อย
  • หม้อแปลงไฟฟ้าที่มีศักยภาพเฟสเดียว 13.8 Kv ในสถานีย่อยหม้อแปลงไฟฟ้าที่มีศักยภาพเฟสเดียว 13.8 Kv ในสถานีย่อย

หม้อแปลงไฟฟ้าที่มีศักยภาพเฟสเดียว 13.8 Kv ในสถานีย่อย

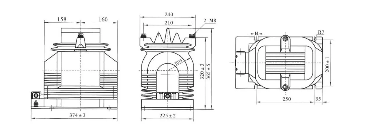
ในการผลิตหม้อแปลงไฟฟ้าแบบเฟสเดียวที่เชื่อถือได้ขนาด 13.8 kv ในสถานีไฟฟ้าย่อย Wenzhou XiFa Electric Power Equipment Co., Ltd ได้ใช้เหล็กไฟฟ้า CRGO ระดับพรีเมี่ยมเป็นวัสดุหลักในแกนเพื่อลดค่าการสูญเสียและปรับปรุงระดับความแม่นยำ และใช้ลวดทองแดงเคลือบความแข็งแรงสูงเป็นวัสดุหลักของขดลวดเพื่อให้แน่ใจว่ามีอัตราส่วนการหมุนและฉนวนแบบหมุนเพื่อเปลี่ยนผ่านการพันที่แม่นยำ ยิ่งไปกว่านั้น หม้อแปลงไฟฟ้าที่มีศักยภาพเฟสเดียว 13.8 kv แต่ละตัวในสถานีย่อยใช้กระบวนการผลิตของการหล่อสุญญากาศอีพอกซีเรซิน เพื่อสร้างโครงสร้างแข็งโดยรวมที่ไม่ดูดซับความชื้นได้ง่าย ซึ่งเหมาะสำหรับสภาพแวดล้อมที่ร้อน ชื้น และมีฝุ่นมาก

คุณสมบัติผลิตภัณฑ์:

หม้อแปลงไฟฟ้าที่มีศักยภาพเฟสเดียวขนาด 13.8 Kv ในสถานีย่อย ได้รับการออกแบบมาเพื่อลดแรงดันไฟฟ้าหลักที่ 13.8 kv ให้เป็นแรงดันไฟฟ้ารองมาตรฐาน เช่น 100 หรือ 110 โวลต์ จากนั้นแรงดันไฟฟ้าที่ลดลงจะถูกส่งไปยังขดลวดคู่ขนานเพื่อวัดเครื่องมือและรีเลย์ป้องกัน ซึ่งช่วยให้การวัดแรงดันไฟฟ้าปฐมภูมิทำทางอ้อมกับอุปกรณ์แรงดันไฟฟ้าต่ำได้ แนวทางดังกล่าวทำให้การออกแบบเครื่องมือง่ายขึ้น ประหยัดต้นทุน และรับประกันความปลอดภัยของทั้งอุปกรณ์และบุคลากรฝ่ายปฏิบัติการ


หลักการทำงานของหม้อแปลงไฟฟ้าที่มีศักยภาพเฟสเดียวขนาด 13.8 kv นั้นเหมือนกับหม้อแปลงจำหน่ายกำลัง ซึ่งอัตราส่วนการเปลี่ยนแปลงจะถูกกำหนดโดยจำนวนรอบในขดลวดปฐมภูมิและทุติยภูมิ การเพิ่มจำนวนเทิร์นรองจะลดอัตราส่วน ในขณะที่การเพิ่มจำนวนเทิร์นหลักจะทำให้อัตราส่วนเพิ่มขึ้น สิ่งสำคัญคือต้องทราบว่าไม่ว่าในสถานการณ์ใด วงจรทุติยภูมิของหม้อแปลงไฟฟ้าที่มีศักยภาพเฟสเดียวขนาด 13.8 kv จะถูกลัดวงจรระหว่างการทำงาน

13 8 Kv Single Phase Potential Transformer In Substation

ข้อมูลทางเทคนิค:

พิมพ์ อัตราส่วนแรงดันไฟฟ้าที่กำหนด (kV) ระดับความแม่นยำ ระดับความแม่นยำและพิกัดเอาท์พุต cosΦ=0.8 แม็กซ์ เอาท์พุต (VA)
0.2 0.5 1 6(ป)
JDZ11-15 (15/√3)/(0.1/√3)/(0.1/3) 0.2/6P 0.5/6P 1/6P 30 80 150 100 400
JDZ11-20 (20/√3)/(0.1/√3)/(0.1/3)
JDZ11-15 (15/√3)/(0.1/√3)/(0.1/√3)/(0.1/3) 0.2/0.2/6P 0.2/0.5/6P 15 20 ไม่มี 100 2*200
JDZX11-20 (20/√3)/(0.1/√3)/(0.1/√3)/(0.1/3)

13 8 Kv Single Phase Potential Transformer In Substation

คำถามที่พบบ่อยเกี่ยวกับผลิตภัณฑ์:

ถาม: หม้อแปลงไฟฟ้าที่มีศักยภาพเฟสเดียว 13.8 kv แตกต่างจากหม้อแปลงไฟฟ้าขนาด 13.8 kv อย่างไร

ตอบ: แม้ว่าทั้งสองจะเป็นอุปกรณ์แปลงแรงดันไฟฟ้า แต่หม้อแปลงไฟฟ้าที่มีศักยภาพเฟสเดียวขนาด 13.8 kv ได้รับการออกแบบมาเพื่อการวัดและการป้องกันมากกว่าการถ่ายโอนพลังงาน ภาระที่ได้รับการจัดอันดับนั้นค่อนข้างเล็ก ซึ่งมักจะแสดงเป็น VA ในขณะที่หม้อแปลงไฟฟ้ากำลังจัดการโหลดด้วยค่าที่มากกว่าซึ่งนับเป็น kVA หรือ MVA


ถาม: ใช้วิธีการฉนวนแบบใดที่หม้อแปลงไฟฟ้าที่มีศักยภาพเฟสเดียว 13.8 kv

ตอบ: ส่วนใหญ่หม้อแปลงไฟฟ้าที่มีศักยภาพที่ระดับแรงดันไฟฟ้านี้ ให้ใช้ฉนวนหล่ออีพอกซีเรซินสำหรับบริการภายในอาคาร หรือตัวเรือนพอร์ซเลน/ซิลิโคนสำหรับการติดตั้งกลางแจ้ง การออกแบบบางแบบใช้ฉนวนแบบจุ่มน้ำมันเพื่อยืดอายุการใช้งานและความจุความร้อนที่สูงขึ้น


ถาม: ควรเชื่อมต่อหม้อแปลงไฟฟ้าเฟสเดียวขนาด 13.8 kV ในสถานีย่อยอย่างไร

ตอบ: สำหรับการวัดจากเฟสถึงกราวด์ PT หลักจะเชื่อมต่อระหว่างเฟสหนึ่งกับกราวด์ ในระบบสามเฟส สามารถใช้ชุด PT เฟสเดียวหรือหน่วย PT สามเฟสเพื่อวัดแรงดันไฟฟ้าแบบเส้นต่อเส้นและแรงดันไฟฟ้าแบบเส้นถึงกราวด์


ถาม: ปัญหาอะไรที่อาจเกิดขึ้นกับหม้อแปลงไฟฟ้าที่มีศักยภาพเฟสเดียวขนาด 13.8 kV ในสถานีย่อย

ตอบ: ปัญหาที่พบบ่อย ได้แก่ การเสื่อมสภาพของฉนวน เฟอร์เรโซแนนซ์ภายใต้สภาวะการสลับบางอย่าง ความร้อนสูงเกินไปเนื่องจากภาระหนักเกินไป และสภาวะการเปิดวงจรทุติยภูมิที่อาจทำให้เกิดแรงดันไฟฟ้าสูงจนเป็นอันตราย



แท็กยอดนิยม: หม้อแปลงไฟฟ้าที่มีศักยภาพเฟสเดียว 13.8 Kv ในผู้จัดจำหน่ายสถานีย่อย, การขายส่งหม้อแปลงไฟฟ้าที่มีศักยภาพของสถานีย่อย
ส่งคำถาม
ข้อมูลติดต่อ
  • ที่อยู่

    เลขที่ 391 ถนน Jingqi เขตอุตสาหกรรม Yanpan เมือง Yueqing มณฑลเจ้อเจียงประเทศจีน

  • อีเมล

    info@xifaele.com

เพื่อรับใบเสนอราคาของคุณโดยเร็วที่สุด

XiFa ผู้จำหน่ายอุปกรณ์ไฟฟ้าที่เชื่อถือได้ของคุณ
X
เราใช้คุกกี้เพื่อมอบประสบการณ์การท่องเว็บที่ดีขึ้น วิเคราะห์การเข้าชมไซต์ และปรับแต่งเนื้อหาในแบบของคุณ การใช้ไซต์นี้แสดงว่าคุณยอมรับการใช้คุกกี้ของเรา นโยบายความเป็นส่วนตัว
ปฏิเสธ ยอมรับ