ศักยภาพหม้อแปลงไฟฟ้า PT
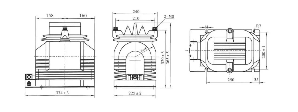
หม้อแปลงไฟฟ้าที่มีศักยภาพ Pt แม่เหล็กไฟฟ้า 25 Kv
  • หม้อแปลงไฟฟ้าที่มีศักยภาพ Pt แม่เหล็กไฟฟ้า 25 Kvหม้อแปลงไฟฟ้าที่มีศักยภาพ Pt แม่เหล็กไฟฟ้า 25 Kv

หม้อแปลงไฟฟ้าที่มีศักยภาพ Pt แม่เหล็กไฟฟ้า 25 Kv

Wenzhou XiFa Electric Power Equipment Co., Ltd มีประสบการณ์มากกว่า 10 ปีในการผลิตหม้อแปลงที่มีศักยภาพอีพอกซีเรซินและหม้อแปลงกระแส เช่น หม้อแปลงไฟฟ้าที่มีศักยภาพ pt แบบแม่เหล็กไฟฟ้าขนาด 25 kv หม้อแปลงไฟฟ้าที่มีศักยภาพขนาด 25kv ใช้สำหรับแรงดันไฟฟ้ากริดเฉพาะภูมิภาค เช่น อเมริกาเหนือและบางประเทศในอเมริกา แม้ว่าจะมีการระบุว่าเป็นหม้อแปลงไฟฟ้าที่มีศักยภาพ pt แม่เหล็กไฟฟ้าขนาด 25kv แต่มาตรฐานที่นำมาใช้คือ 24kv Wenzhou XiFa Electric Power Equipment Co., Ltd มีโซลูชั่นการออกแบบที่ครบวงจรในด้านความแม่นยำ ฉนวน และความแข็งแรงทางกล เพื่อให้ได้หม้อแปลงไฟฟ้าที่มีศักยภาพ pt แบบแม่เหล็กไฟฟ้าขนาด 25 kv ซึ่งมีอายุการใช้งานยาวนานกว่า

คำแนะนำหลังการซื้อกหม้อแปลงไฟฟ้าที่มีศักยภาพ:

1. ก่อนการทดสอบเดินเครื่อง หม้อแปลงไฟฟ้าที่มีศักยภาพ pt แบบแม่เหล็กไฟฟ้าขนาด 25 kv จะต้องผ่านการทดสอบและการตรวจสอบทั้งหมดตามมาตรฐานและขั้นตอนที่เกี่ยวข้อง โดยทั่วไปจะรวมถึงการทดสอบฉนวนไฟฟ้ากระแสสลับ การทดสอบความต้านทานของฉนวน การทดสอบอัตราส่วน และการตรวจสอบด้วยสายตา

2. การเดินสายไฟที่เหมาะสมของหม้อแปลงไฟฟ้าที่มีศักยภาพ pt แบบแม่เหล็กไฟฟ้าขนาด 25 kv เป็นสิ่งจำเป็น ขดลวดปฐมภูมิควรเชื่อมต่อแบบขนานกับวงจรที่วัดได้ ในขณะที่ขดลวดทุติยภูมิต้องเชื่อมต่อขนานกับขดลวดแรงดันไฟฟ้าของเครื่องมือวัด รีเลย์ป้องกัน หรืออุปกรณ์อัตโนมัติ ในขณะเดียวกันต้องให้ความสนใจในการรักษาขั้วที่ถูกต้อง

3. โหลดที่เชื่อมต่อกับหม้อแปลงรองที่มีศักย์ไฟฟ้า 25 kv จะต้องอยู่ภายในความจุที่กำหนด การโหลดเกินพิกัดที่กำหนดอาจทำให้เกิดข้อผิดพลาดในการวัดเพิ่มขึ้น แม้จะส่งผลกระทบต่อความแม่นยำของการอ่านก็ตาม

4. ห้ามลัดวงจรหม้อแปลงรองที่มีศักย์ไฟฟ้า 25 กิโลโวลต์โดยเด็ดขาด เนื่องจาก PT มีอิมพีแดนซ์ภายในต่ำมาก การลัดวงจรทุติยภูมิสามารถสร้างกระแสไฟฟ้าที่สูงมาก อาจทำให้อุปกรณ์ทุติยภูมิเสียหาย และอาจก่อให้เกิดอันตรายต่อความปลอดภัยอย่างร้ายแรง เพื่อป้องกันความเสียหายดังกล่าว จำเป็นต้องติดตั้งฟิวส์บน PT รอง หากเป็นไปได้ ควรใช้ฟิวส์ด้านหลักเพื่อป้องกันเครือข่ายไฟฟ้าแรงสูงในกรณีที่เกิดข้อผิดพลาดในขดลวดปฐมภูมิหรือสายนำ

5.เพื่อความปลอดภัยของบุคลากรที่ต้องจัดการเครื่องมือวัดหรือรีเลย์ ขดลวดทุติยภูมิ PT จะต้องต่อสายดินที่จุดหนึ่ง สามารถป้องกันความปลอดภัยส่วนบุคคลจากไฟฟ้าแรงสูงที่ปรากฏในเครื่องมือและรีเลย์เมื่อฉนวนเสียหายระหว่างขดลวดปฐมภูมิและขดลวดทุติยภูมิหลังการต่อสายดิน

6. ไม่ควรลัดวงจรวงจรทุติยภูมิ PT ไม่ว่าในกรณีใด

25 Kv Instrument Electromagnetic Pt Potential Transformer

ข้อมูลทางเทคนิค:

พิมพ์ อัตราส่วนแรงดันไฟฟ้าที่กำหนด (kV) ระดับความแม่นยำ ระดับความแม่นยำและพิกัดเอาท์พุต cosΦ=0.8 แม็กซ์ เอาท์พุต (VA)
0.2 0.5 3(ป)
JDZ11-15 15/0.1 0.2 0.5 1 30 80 150 600
JDZ11-20 20/0.1
JDZ11-15 15/0.1/0.1 0.2/0.2 0.2/0.5 0.5/0.5 20 30 ไม่มี 2*300
JDZ11-20 20/0.1/0.1
JDZ11-15 15/0.1/0.22 0.2/3พี 0.5/3พี 30 60 100 500
JDZ11-20 20/0.1/0.22

25 Kv Instrument Electromagnetic Pt Potential Transformer

คำถามที่พบบ่อยเกี่ยวกับผลิตภัณฑ์:

ถาม: อัตราแรงดันไฟฟ้าทุติยภูมิมาตรฐานสำหรับแม่เหล็กไฟฟ้าของอุปกรณ์ 25 kV คืออะไรpt หม้อแปลงไฟฟ้าที่มีศักยภาพ?

ตอบ: แรงดันไฟฟ้าทุติยภูมิมาตรฐานสำหรับหม้อแปลงไฟฟ้าที่มีศักยภาพ pt แบบแม่เหล็กไฟฟ้าสำหรับอุปกรณ์ 25 kV โดยทั่วไปคือ 110 V มาตรฐานนี้รับประกันความเข้ากันได้กับอุปกรณ์วัดแสงและการป้องกัน เพื่อให้วัดแรงดันไฟฟ้าได้อย่างแม่นยำและการทำงานที่ปลอดภัยภายในระบบไฟฟ้ากำลัง


ถาม: หม้อแปลงไฟฟ้าที่มีศักยภาพ pt แบบแม่เหล็กไฟฟ้าขนาด 25 kV สามารถทำงานอย่างต่อเนื่องที่ 115% ของแรงดันไฟฟ้าที่กำหนดได้หรือไม่

ตอบ: ได้ หม้อแปลงไฟฟ้าที่มีศักยภาพขนาด 25 kV สามารถทำงานได้อย่างต่อเนื่องที่ 115% ของแรงดันไฟฟ้าที่กำหนด ตราบใดที่ภาระทุติยภูมิไม่เกินพิกัดความร้อนของหม้อแปลง ความสามารถนี้ช่วยให้เกิดสภาวะแรงดันไฟเกินชั่วคราวได้โดยไม่ส่งผลกระทบต่อความสมบูรณ์ของ PT


ถาม: ระดับฉนวนทั่วไปสำหรับหม้อแปลงไฟฟ้าที่มีศักยภาพ pt แบบแม่เหล็กไฟฟ้าขนาด 25 kV คืออะไร

ตอบ: หม้อแปลงไฟฟ้าที่มีศักยภาพขนาด 25 kV โดยทั่วไปจะมีชั้นฉนวนที่ช่วยให้สามารถทนต่อแรงดันไฟฟ้าได้สูงถึง 25 kV ระบบฉนวนได้รับการออกแบบมาเพื่อรองรับความเค้นทางไฟฟ้าที่พบในสภาวะปกติและสภาวะความผิดปกติ เพื่อให้มั่นใจถึงการทำงานที่เชื่อถือได้และปลอดภัย





แท็กยอดนิยม: 25 Kv Instrument ผู้ผลิตหม้อแปลงไฟฟ้าศักยภาพ Pt แม่เหล็กไฟฟ้า, ผู้จัดจำหน่ายหม้อแปลงไฟฟ้าศักยภาพ PT แม่เหล็กไฟฟ้า, เครื่องมือ PT หม้อแปลงไฟฟ้าศักยภาพขายส่ง
ส่งคำถาม
ข้อมูลติดต่อ
  • ที่อยู่

    เลขที่ 391 ถนน Jingqi เขตอุตสาหกรรม Yanpan เมือง Yueqing มณฑลเจ้อเจียงประเทศจีน

  • อีเมล

    info@xifaele.com

เพื่อรับใบเสนอราคาของคุณโดยเร็วที่สุด

XiFa ผู้จำหน่ายอุปกรณ์ไฟฟ้าที่เชื่อถือได้ของคุณ
X
เราใช้คุกกี้เพื่อมอบประสบการณ์การท่องเว็บที่ดีขึ้น วิเคราะห์การเข้าชมไซต์ และปรับแต่งเนื้อหาในแบบของคุณ การใช้ไซต์นี้แสดงว่าคุณยอมรับการใช้คุกกี้ของเรา นโยบายความเป็นส่วนตัว
ปฏิเสธ ยอมรับ